
产品名称:双色无盲区石英玻璃管液位计
型 号:ULS-C
产品概述
ULS-C型双色无盲区石英玻璃管液位计采用高纯度石英管(99.99%SiO2)制造,系就地式液位测量仪表,用来直接指示工业生产过程中各种容器内介质的液位高度。
液位计根据不同介质对光波的折射率不同的原理研制而成,具有液绿气红双色清晰显示和优异的防酸功能,克服了板式或管式液位计在满液或无液时无法判断液位的缺点,并具有耐高温、高压,防粘稠,寿命长,冲洗、维护方便等特点,广泛用于石油、化工、电力、制药、水处理等行业中各种容器及锅炉的液位测量,特别适用于无色透明介质,如水、液氯、轻油、液化气、丙烯、常温碱液等多种烃、油品溶液的液位测量。
结构原理
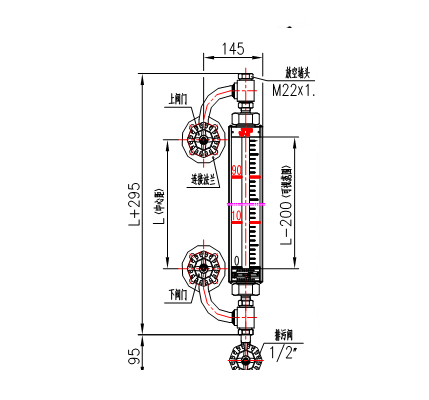
ULS-C型双色无盲区石英玻璃管液位计,通过连接法兰与容器构成连通回路,利用自然光在液体中折射的光学原理,借助滤色红绿玻璃片,使液相显示绿色,气相显示红色,实现清晰的液位指示。
液位计的两端带有针形阀,且有安全保护钢珠,当玻璃管发生意外破损时,可自动关闭液体通道,防止液体外喷。
技术参数
法兰中心距(L):300、500、800、1100、1400、1700、2000、2500mm;法兰中心距在2500mm内可由用户任意指定。
可视长度(H):ULS-C型:H=L。
压力等级:1.6 2.5 4.0 6.3 MPa或Class150、300。
工作温度:-40~450℃。
连接法兰:DN20、DN25、DN40 HG/T20592-2009、HG/T20615-2009或用户指定。
伴热夹套接头:G1/2″外螺纹或用户指定。
排污阀接口尺寸:Rc1/2、NPT1/2内螺纹或用户指定。
伴热蒸汽压力:≤1.0 MPa。
针型阀自动关闭压力:≥0.3Mpa。
▲产品选型
|
ULS- |
|
彩色石英玻璃管液位计 |
系 列 号 |
|||
|
|
C |
|
双色无盲区液位测量 |
形式类型 |
||
|
|
1 |
|
1.6MPa |
压力等级 |
||
|
2 |
|
2.5MPa |
||||
|
3 |
|
4.0MPa |
||||
|
4 |
|
6.3MPa |
||||
|
A |
|
Class150(2.0MPa) |
||||
|
B |
|
Class300(5.0MPa) |
||||
|
X |
|
其它压力等级 |
||||
|
|
C |
|
碳钢 |
接液材质 |
||
|
S |
|
不锈钢:304 |
||||
|
P |
|
不锈钢:316L |
||||
|
T |
|
其它材质 |
||||
|
|
W |
伴热夹套 |
附 加 |
|||
|
ULS- |
C |
3 |
S |
W |
|
选型举例 |
|
ULS-C3SW为双色无盲区液位测量、压力等级4.0MPa,接液材质为不锈钢304,带伴热夹套彩色石英玻璃管液位计 |
||||||
上一条:抱歉暂无数据
下一条:抱歉暂无数据